DD马达QR570-170
特征

宽度:570mm

高度:170mm

构造:内转子型

励磁方式:3相

连续扭矩:720N.m

峰值扭矩:2000N.m

重复精度:±2arc-sec

绝对精度:±10arc-sec

  • 基本信息
  • 规格尺寸
  • 配置/性能参数

    百家-PTNES系列DD马达,有内转子和外转子两种结构类型来满足更多应用需求。直径从40mm-760mm,峰值扭矩从0.8N.m-5000N.m,连续扭矩从0.25N.m-1800N.m,绝对精度可达±10arc-sec,重复定位精度可达±0.5arc-sec。具有高精度、高刚性、低轴向径向跳动等优点,被广泛应用于半导体生产设备、光媒体、光学对位、定位检测、精密数控机床、汽车装配/检测、液晶制造设备、屏幕贴合设备、锂电池制造设备、高端丝印设备及医疗器械等微精密高端制造业领域。


    我们的优势


    百家可以为您提供更完善的服务!

    多年专注直驱电机;                    根据客户需求设计定制产品;

    行业应用案例丰富;                    诚信经营坚持品质注重服务;

    免费上门安装调试;                   全国48小时内售后服务响应;

    协助客户分析方案可行性;          省内8小时、省外24小时内售后服务响应;


    直驱马达与传统AC伺服马达相比较优势明显!

    因为PTNES直驱马达一体化的结构,负载可直接安装在DD马达的安装面上,所以由电机到工位盘之间没有精度损失。这样增加了设备的精度。因为没有减速机的机械结构,所以没有像传统AC伺服那样的能量损失。用直接驱动方式使得通过程序改变工位变得很容易。

    优点:

    节省空间,减少设备尺寸

    高精度,免维护,节能

    方便机械设计,无背隙

    直驱马达AC对比图.png


    工匠精神●卓越始于匠心

    先进的生产设备和现代化的生产管理方式是百家为客户提供高品质产品的重要基础,公司广泛吸收业内最新技术成果,持续创新力求不断的为客户提供性能和品质更加卓越的直驱运动控制解决方案。


    研发设计                                                                                     精度测量         研发设计.png

    几何精度检测                                                                              绝对精度检测

    几何精度测量.png

    重复精度检测                                                                             端面跳动重复精度检测重复精度.png


    DD马达的优点

    可承受负荷波动

    I-PD控制回路,使得整定时间更短,并且提供了高刚性,可以承受突变外力。


    高效节能提升生产率

    混合磁路使用偏磁的方法,低电流下也能产生高扭矩,有效减少发热并且更节能。


    方便机械做柔性设计

    马达没有齿轮结构,运动工位可通,过程序改变,相比有齿轮结构的工位调整更轻松。


    提供更多便利的大中心孔设计

    马达具有大中心孔,允许线缆、激光、轴等穿过,为应用设计提供更多便利。


    直接驱动工位盘确保高精度

    负载可以直接安装在马达的安装面.上,直接驱动工位盘,避免了精度损失、能量损失。


    免维护的交叉滚子轴承

    完全封闭的交叉滚子轴承,无需润滑油脂,不产生灰尘和油渍。

    优点.png


    DD马达应用领域

    CNC机床加工中心   3C制造行业       医疗器械,医药制造等

    半导体制造业     工业机器人     液晶面板设备    激光制造设备

    应用领域.png

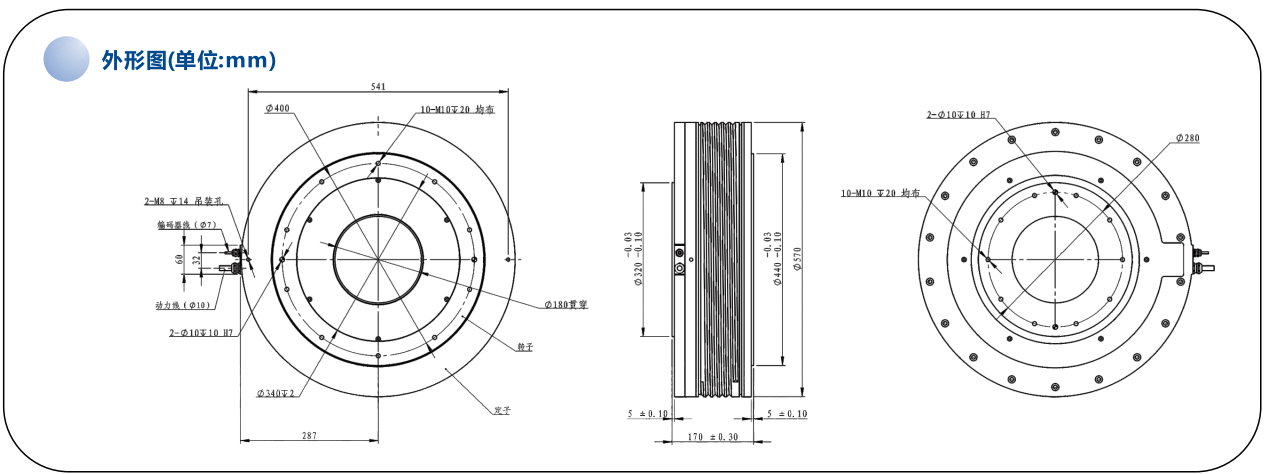
    DD马达QR570-170

    QR570-170尺寸图.png

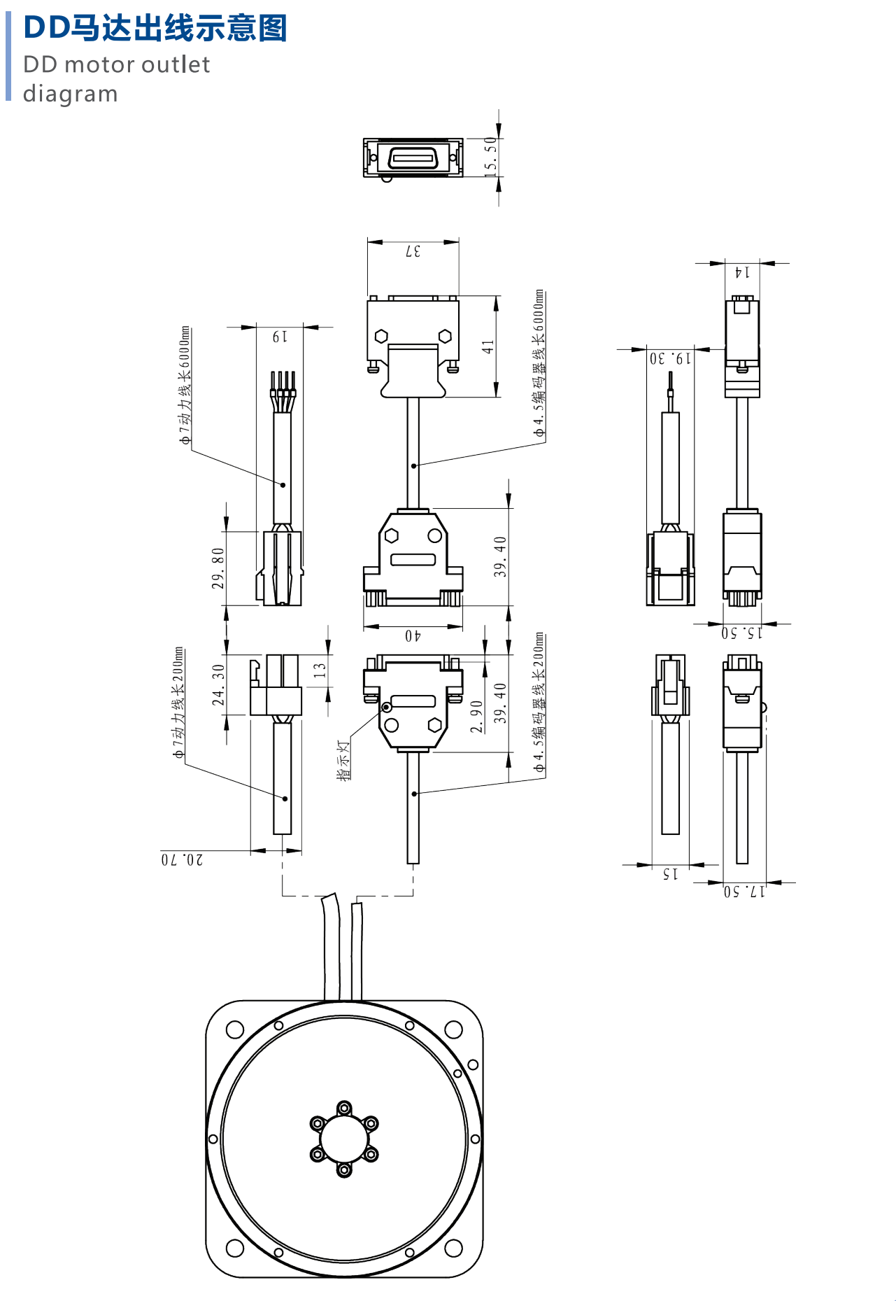
    DD马达出线示意图

    DD马达接线图.png

    DD马达QR570-170通用规格

    宽度570 高度170

    电机卷线部绝缘等级: F类,绝缘耐压: 1分钟1500V,绝缘电阻: 10MΩ以上(500VDC)

    其他

    构造:内转子型,励磁方式:3

    ()标称扭矩为安装在热容量足够大的金属机座上时的数值。

    位置分辨率为建议值,根据驱动器设定。

    负载安装面机械精度是安装面的轴向偏差和径向偏差。

    表中,如无明确说明则表示为380VAC电源。

    DD马达规格名称QR570-170
    瞬间最大输出扭矩N.m2000
    连续最大扭矩N.m720
    最大转速rps1.5
    额定转数rps1
    线电阻Ohm4.7
    线电感mH56
    力矩常数Nm/Arms70
    反电势常数Vp(krpm)3600
    连续电流Arms10.5
    峰值电流Arms30
    极对数-
    33
    精度要求编码器分辨率pulse/rev4277600
    绝对精度arc-sec±10
    重复定位精度arc-sec±2
    原点脉冲数(选配)pulse/rev1
    最大功率KVA20
    额定功率KVA6
    转子惯量kgcm211500
    允许负载轴向负荷
    N20000
    N12000
    径向负荷Nm600
    负载安装面机械精度μm5 or less
    重量
    kg190
    环境要求温度°C40
    湿度%85
    大气环境-无腐蚀性气体,尘埃。海拔1000m以下


(专案科):15962332767

29edc9d6eda9fbfd5ee892dc66bce5a.png

微信扫一扫

Copyright © 2021~ 苏州市普特耐思科技有限公司 . All Rights Reserved. 备案号:苏ICP备2022030939号