上银科技HIWIN-产品系列
在此网站上您可以找到我们目前的上银科技HIWIN-产品系列。 如果您想了解更多,请联系我们:我们的销售工程师将会尽快回复您。

直线电机:
直线电机模组:
直线电机平台:
世界传动控制产品与系统科技产品的专业制造者,在直线运动和定位领域,上银有着独特的优势,上银在全球有多个研发中心,经过30多年的不断研发生产,质量稳定,客户使用HIWIN的传动控制产品而创新价值、增强竞争力,成为市场赢家;当然也有自我期许成为创新科技的赢家。

Product Center
低噪音
高精度
高加减速度
省空间轻量化设计
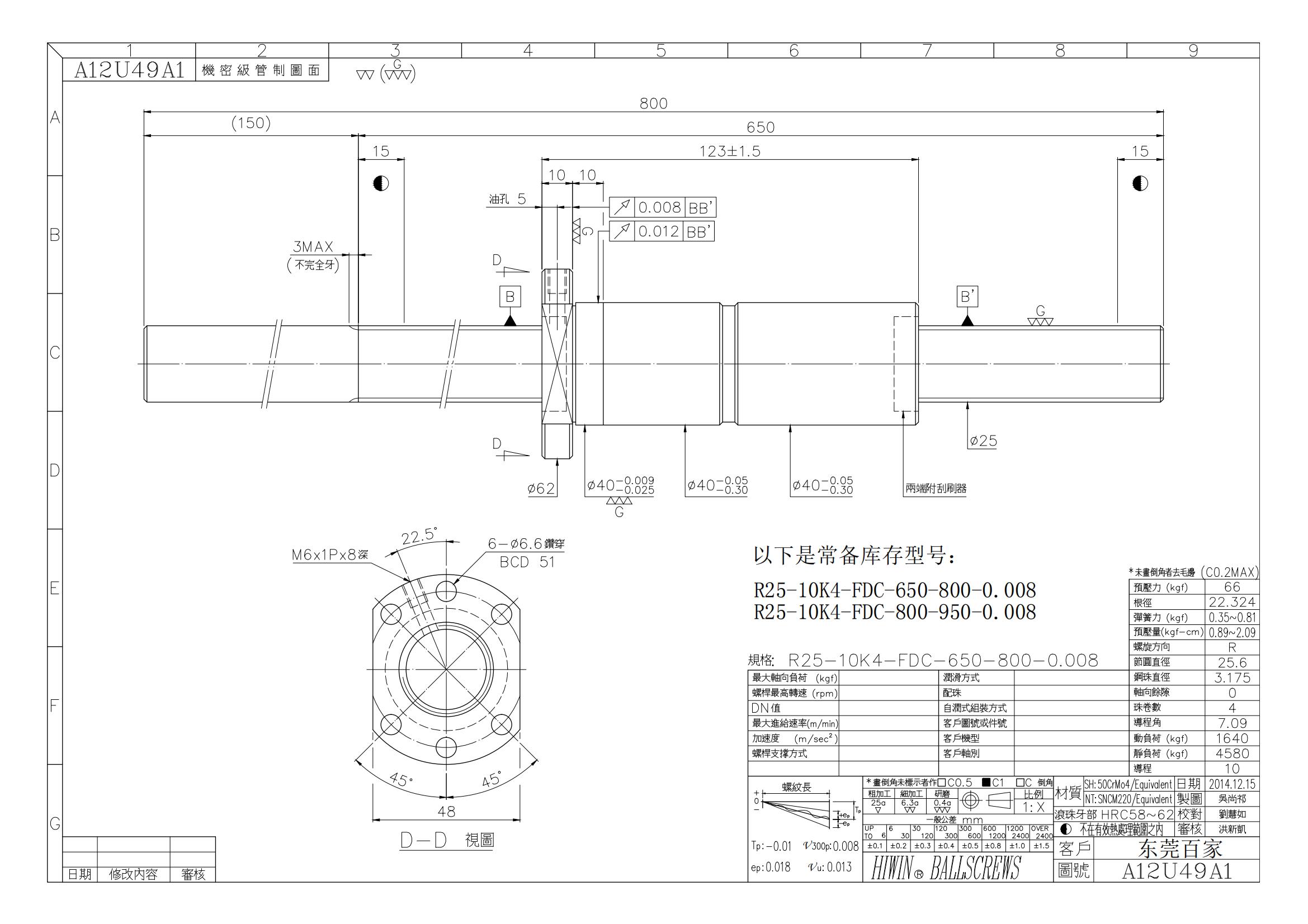
动负荷:1640(kgf)
静负荷:4580(kgf)
低噪音(与一般品比较下降5 ~ 7dB)
回流单元的专利设计,可吸收钢珠冲击所产生的噪音,而大幅降低噪音值。
省空间轻量化设计
螺帽外径较一般型式缩减18%~32%。
Dm-N最高可达220,000
回流单元的专利设计,强化回流结构强度,其Dm-N值最高可达220,000。
高加减速度
特有回流单元的路径与强度设计,使受运动钢珠冲击值下降,故可承受瞬间高加减速度2g的操作环境。
精度
精密级以JIS C0 ~ C7,转造级以C6 ~ C10。
应用

CNC机械、精密工具机、产业机械、电子机械、高速化机械。

可按需求改制长度及加工

| 上银研磨丝杆型号库存表 |
| R25-10K4-FDC-650-800-0.008 |
| R25-10K4-FDC-800-950-0.008 |

(专案科):15962332767

微信扫一扫

在线咨询